CABLE RAILING SYSTEMS : SURFACE MOUNT EYE
Price: $10.75
Description
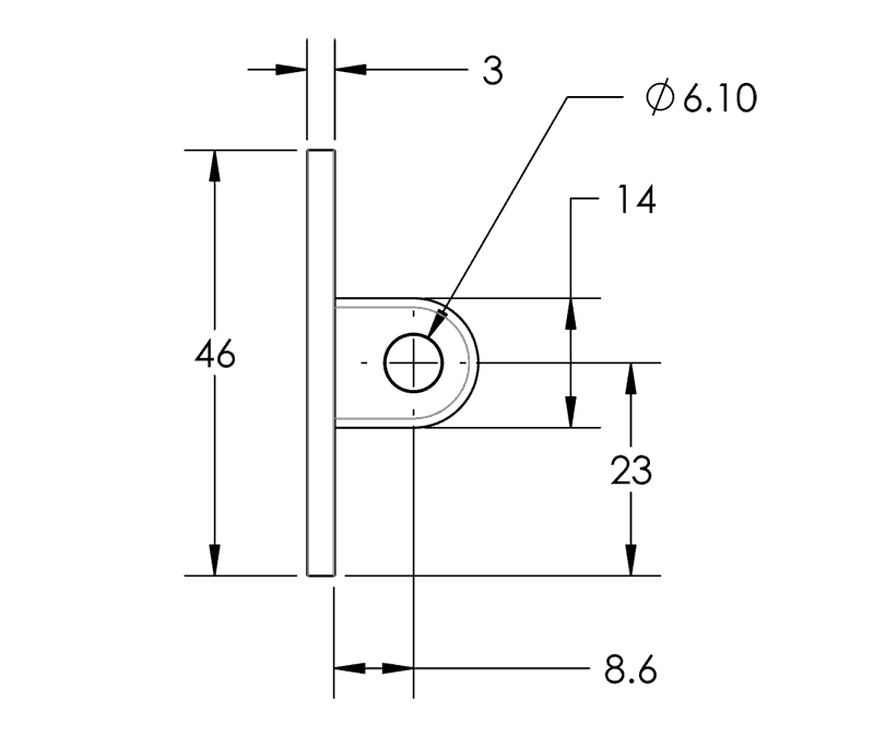
The SURFACE MOUNT EYE fittings are the terminal ends of the FineLine™ JAW/EYE ASSEMBLY. This Assembly requires: 1 Fineline™ JAW TURNBUCKLE , CABLE , FIXED JAW CLEVIS WITH CABLE and 2 SURFACE MOUNT EYE. The number of cable runs is determined by post height. 3″ cable spacing is recommended. Flat head wood screws sold separately.
Benefits / Technical Information:
- Material: 316 Stainless Steel.
See number “1” in the above drawing to see how the SURFACE MOUNT EYE is used in the wire rope cable assembly.
For this fitting, order the CABLE CUTTER and CABLE CRIMPER tools to HAND SWAGE your wire rope assemblies.
Note: Stainless Steel is highly resistant, but not impervious to the elements, and requires minimal maintenance for ideal results. We recommend applying Passivator to all exposed stainless steel components at the time of installation. In addition, apply Rust Rescue if within 10 miles of a marine environment to further protect the stainless steel. Learn more about these products and general stainless steel care on our Cleaning & Maintenance Page.
Need help? Call 1-888-686-7245(RAIL), or email [email protected]. You can also email or fax us an ESTIMATE REQUEST FORM for a free estimate. We are happy to help and will respond within 24 hours. For online assistance and further information about our systems, take a look at our HELP PAGES and VIDEOS.
Product # 732431
Additional information
| Weight | 0.04 lbs |
|---|
You may also like…
Shipping Date Estimator
UPS
Domestic Destinations:
- UPS Ground: Guaranteed day-definite delivery, typically in one to five days, to all 50 states and Puerto Rico.
- UPS 3 Day SelectSM: Guaranteed delivery by the end of the third business day to every address in the 48 contiguous states.
- UPS 2nd Day Air®: Guaranteed delivery by the end of the second business day to all 50 states and Puerto Rico, with some limitations in Alaska and Hawaii.
- UPS Next Day Air® Early A.M.®: Guaranteed overnight delivery on business days by 8:00 a.m. to major cities in the 48 contiguous states and by 8:30 or 9:00 a.m. to most other U.S. cities. Delivery by 10:00 a.m. to additional locations. Saturday delivery and pickup is available.
International Destinations:
- UPS Standard to Canada: Guaranteed, economical ground delivery for less-urgent shipments to all Canadian provinces. Charges for customs clearance are not included in the rate. Customs brokerage charges, duties and taxes will be billed to the importer unless otherwise indicated by the shipper.
- UPS Worldwide ExpeditedSM*: Fast, guaranteed delivery for less urgent shipments to more than 60 countries and territories. Canada - typically two business days to most destinations. Mexico - typically within three business days. Major destinations in Europeâ€"typically three to four business days. Major destinations in Asia, and Central and South America, typically within four or five business days.
- UPS Worldwide Saver(SM)*. Guaranteed afternoon delivery service to major business centers in 215 countries and territories. Delivery by end of day. Next business day delivery to Canada. Second business day delivery to Europe and Latin America. Delivery typically within two or three business days to Asia.
- UPS Worldwide ExpressSM*: Guaranteed delivery in one-to-three days to major business centers in 45 countries and territories. Delivery by 10:30 a.m. or 12:00 noon. Next business day delivery to Canada. Second business day delivery to business centers in Europe and Latin America. Delivery within two or three business days to Asia.
- UPS Worldwide Express PlusSM*: Early morning, guaranteed delivery to more then 30 countries and territories. By 8:30 a.m. on the next business day to major metropolitan areas in Canada. Guaranteed delivery by 9:00 a.m. the second business day to major business centers in Europe. Delivery within two or three business days by 9:00 a.m. to major cities in Asia.
FREIGHT
DOMESTIC DESTINATIONS:
CableView® Toprail & Toprail Snap Cover must be shipped via freight due to the length. Call STAINLESS CABLE & RAILING at 1-888-686-7245 (RAIL) for a freight quote. Price varies according to the amount ordered and final shipping destination. All SC&R discounts are passed along to the customer.
INTERNATIONAL DESTINATIONS:
For larger international orders, please call 1-888-686-7245 (RAIL) to discuss your project. Distributor opportunities available.
| Shipping Method | Approximate Processing Time | Approximate Shipping Time | Estimated Delivery Date |
| UPS | 1-7 Business Days | 2-5 Business Days | Jan 19 - Jan 30 |
| FREIGHT | 2-7 Business Days | 2-7 Business Days | Jan 20 - Feb 2 |
| WAREHOUSE PICKUP | 1-7 Business Days | N/A | Jan 15 - Jan 23 |
| NEXT DAY AIR | 1-2 days | 1 day | Jan 19 - Jan 19 |































